

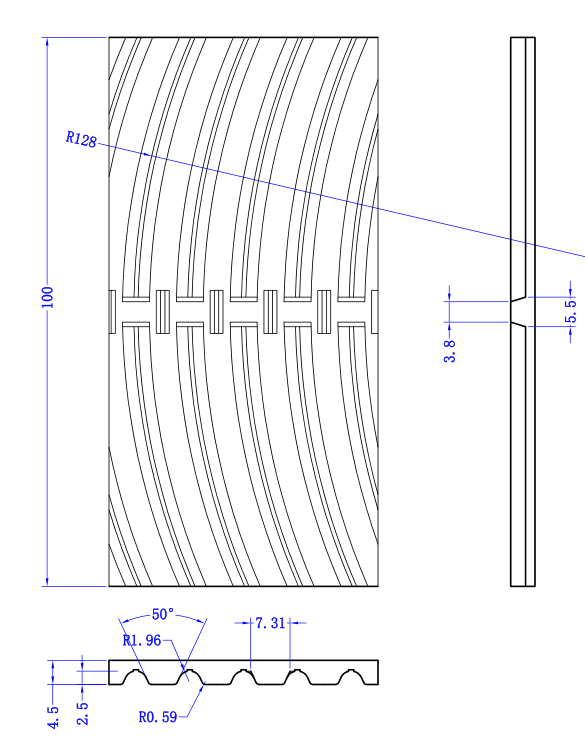
聚氨酯PU同步带,BATK10齿形,采用钢丝、线芯工艺、可加工涤纶防噪音齿布,可加工表面防刮花布,可加工挡块、高耐磨胶、花纹、海绵、泡棉、硅胶,高精密传动、输送同步带。开口、接驳、无缝工艺,齿形公差控制0.0002mm,皮带宽度公差控制±0.2mm以内,可根据图纸、参数加工定制异形附件、打孔、去齿、开槽。聚氨酯PU钢丝同步带精度延伸率控制在千分之四、
生产范围:
1、陶瓷、玻璃、石材等磨边机专用同步带。
2、纺织行业专用绿布同步带。
3、绣花机皮带、木工机械皮带、印刷包装机械皮带、食品机械皮带、电子电器皮带。
4、激光、喷绘、制药及印刷行业机用皮带。
5、金融耗材、新能源、防静电同步带
6、家具、电器输送皮带

扫一扫,关注我们
![]() | 手机:189-2729-1966 |
![]() | 电话:0757-88624222 |
![]() | 邮箱:2851831125@qq.com |
![]() | 地址:广东省佛山市高明荷城街道兴盛路29号 |